全国服务热线:13917138067

您的位置: 首页 > 产品中心 > HAMPOLT-PLAIMAE > 旋转编码开关

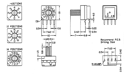
RI40731

操作部:
侧边轴型旋转式
操作部高:
7mm
规格:
10*10mm
输出码:
补码
额定值:
DC24V/100mA
位置数:
10P
端子型:
4*1
封装:
DIP
脚间距:
2.54mm
工作温度:
-20~70°C
在线咨询 全国热线
13917138067
产品介绍
RI40731(图1)


Copyright © 2005-2026 上海汇勤电子科技有限公司 版权所有 Powered by EyouCms 备案号:沪ICP备12008222号-5