全国服务热线:13917138067

您的位置: 首页 > 产品中心 > YAMAICHI > SOP|SSOP|TSOP

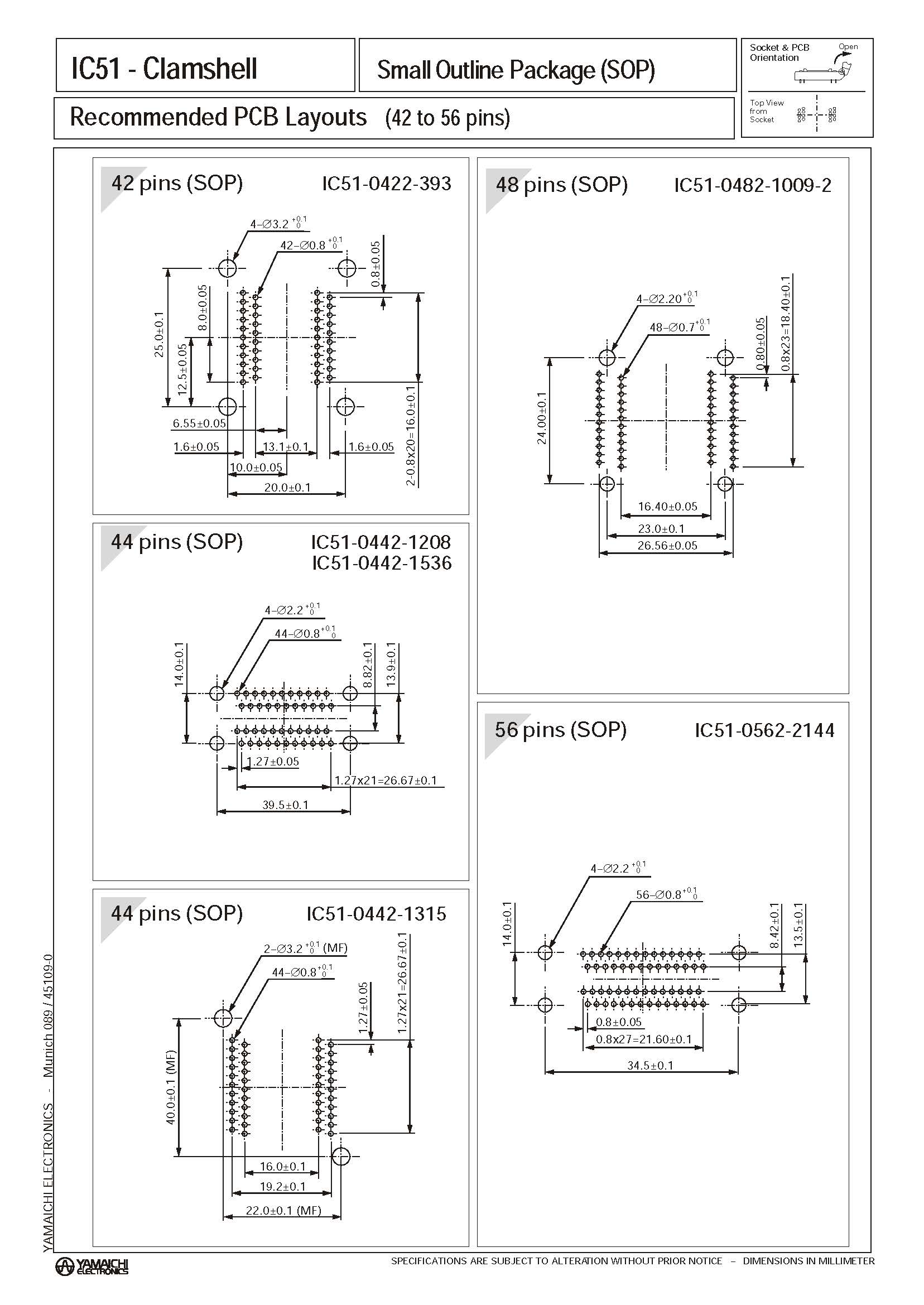
IC51-0362-309

在线咨询 全国热线
13917138067
产品介绍
IC51-0362-309(图1)
IC51-0362-309(图2)
IC51-0362-309(图3)


Copyright © 2005-2026 上海汇勤电子科技有限公司 版权所有 Powered by EyouCms 备案号:沪ICP备12008222号-5