全国服务热线:13917138067

您的位置: 首页 > 产品中心 > C&K > 拨码开关

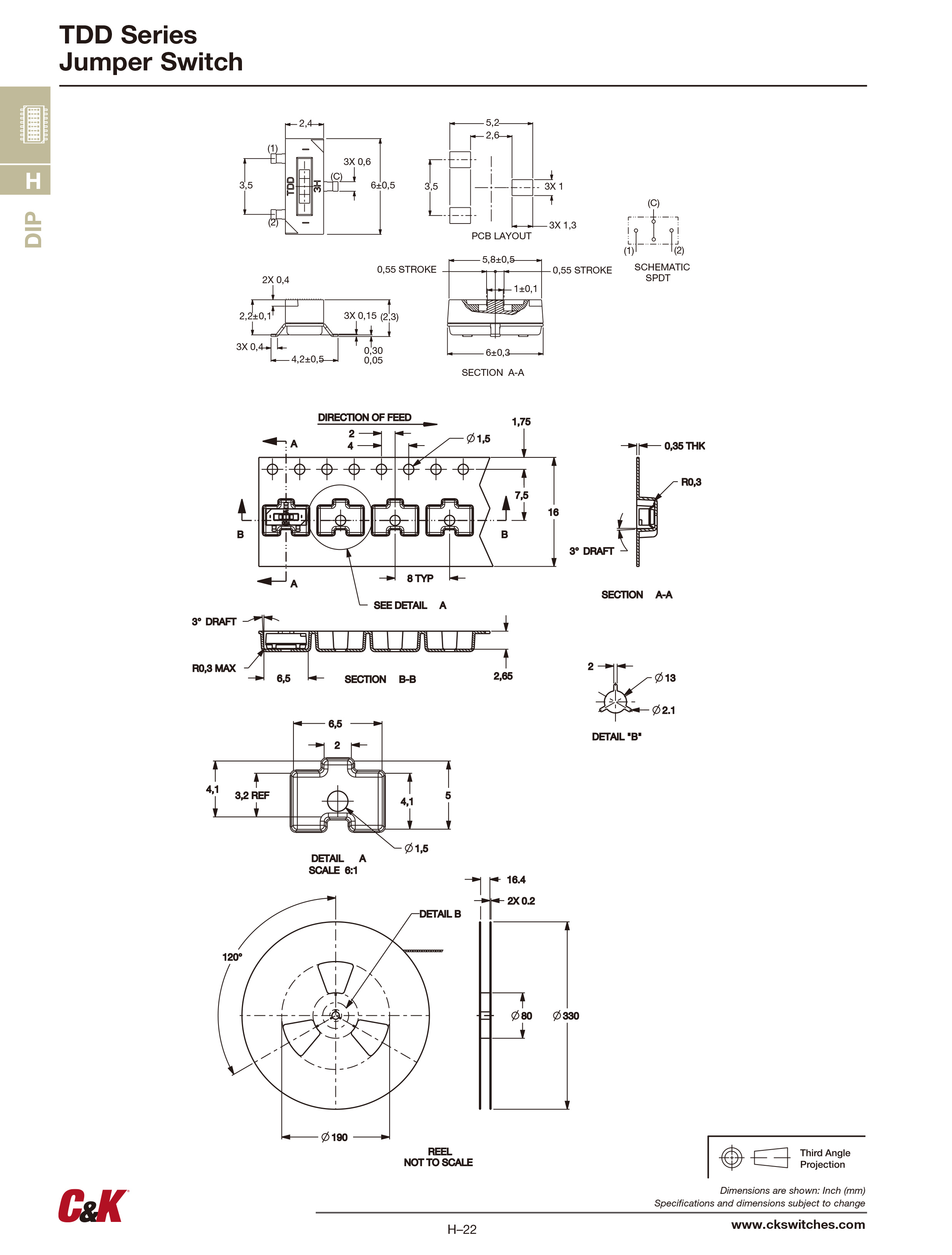
TDD01H0SB1R

操作部:
顶部平型滑动式
位数:
1P
额定值:
24VDC/25mA
封装:
SMD
脚间距:
1.27mm
工作温度:
-30~85°C
包装:
卷带
供应星级:
在线咨询 全国热线
13917138067
产品介绍
TDD01H0SB1R(图1)
TDD01H0SB1R(图2)


Copyright © 2005-2026 上海汇勤电子科技有限公司 版权所有 Powered by EyouCms 备案号:沪ICP备12008222号-5